CYBWX PV Grid Box

In order to protect the safe operation of the system, the safety coordination between the inverter and the mains power grid, and improve the reliability of the system and the design of the photovoltaic grid-connected distribution box. The product has the characteristics of high protection level, long service life, easy installation and operation. Its functions include isolation protection, overload protection, short circuit protection, surge grounding protection, overvoltage and undervoltage protection and recombination after recovery, power generation and energy metering, etc.

In order to protect the safe operation of the system, the safety coordination between the inverter and the mains power grid, and improve the reliability of the system and the design of the photovoltaic grid-connected distribution box. The product has the characteristics of high protection level, long service life, easy installation and operation. Its functions include isolation protection, overload protection, short circuit protection, surge grounding protection, overvoltage and undervoltage protection and recombination after recovery, power generation and energy metering, etc.

  •  The metal box is made of cold-rolled steel plate or stainless steel plate material produced by Wuhan Iron and Steel, and the protection level of the box reaches IP54 or above, which is suitable for outdoor installation
  •  The upper and lower layers of the box are designed, the top layer is designed as the brim of the box to prevent rainwater from entering the box, and the middle layer is designed as a photovoltaic meter, which can be observed through transparent glass panels
  •  All kinds of data to the meter, and the door lock is designed with a seal interface, and the bottom layer is designed as a control and protection area, which is convenient for maintenance personnel to maintain and repair
  •  The power grid inlet hole of the box is designed to enter the line from the bottom or the side, and the IP66 waterproof connector is installed when the side line is inlet to ensure the protection level of the box
  •  The inverter inlet hole of the box is designed at the bottom, which is convenient for direct wiring on site, and the disconnector in the box adopts a well-known brand, and has an obvious break point, and the design capacity is more than 1.5 times the output current of the inverter
  •  The box is designed with photovoltaic over- and under-voltage protection device and voltage recovery overlap protection device, which can protect the unstable voltage of the power grid in addition to voltage loss protection
  •  The box is designed with lightning surge protection, the standard discharge current of the surge protector is 40KA, and a larger lightning surge protector can be selected in areas with frequent thunderstorms, and the discharge current can reach 100KA
  •  The box is designed with an overcurrent protection circuit breaker to ensure that the circuit breaker can be reliably disconnected when the system is overloaded and short-circuited
  •  The mounting plate inside the box can be configured with epoxy resin insulation board according to customer requirements, and the thickness of the insulation board is at least 5mm
  •  The anti-islanding device can be configured according to customer requirements

Photovoltaic grid-connected box circuit diagram and layout diagram

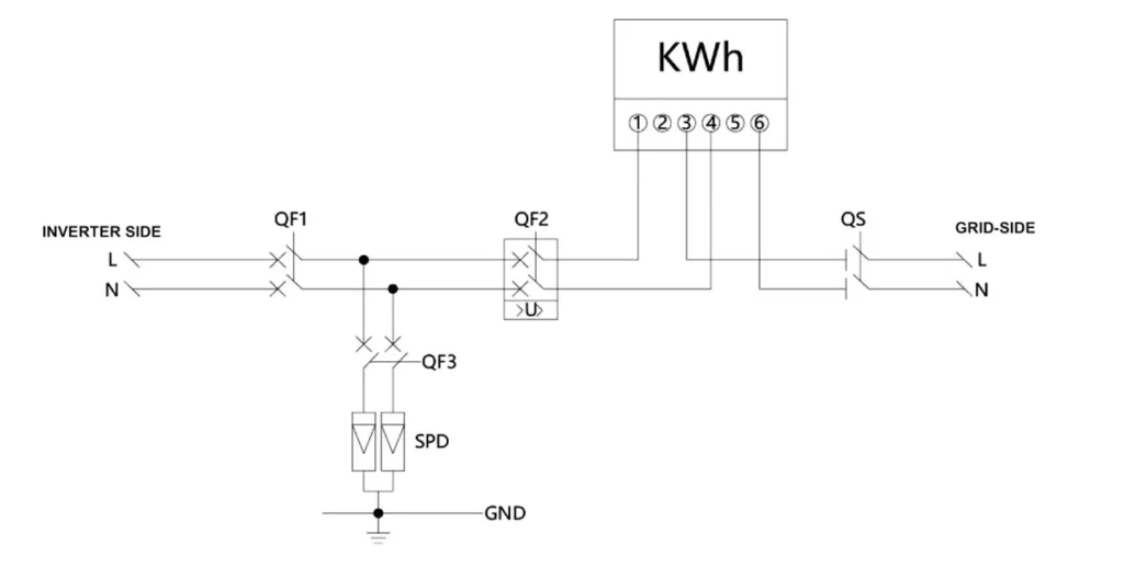
Electrical circuit diagram of single-phase AC grid-connected box

Electrical layout diagram of single-phase AC grid-connected box

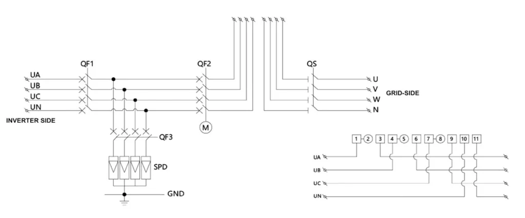
Photovoltaic grid-connected box circuit diagram and layout diagram

Electrical circuit diagram of three-phase AC grid-connected box below 30kW

Reviews

There are no reviews yet.

Be the first to review “CYBWX PV Grid Box”

Your email address will not be published. Required fields are marked *

Fill out the form to discuss bulk orders and international supply options